应用范围
JN2000B系列传感器是一种测量各种扭矩、转速及机械功率的精密测量仪器。应用范围十分广泛,主要用于:
1、电动机、发动机、内燃机等旋转动力设备输出扭矩及功率的检测;
2、风机、水泵、齿轮箱、扭力板手的扭矩及功率的检测;
3、铁路机车、汽车、拖拉机、飞机、船舶、矿山机械中的扭矩及功率的检测;
4、可用于污水处理系统中的扭矩及功率的检测;
5、可用于制造粘度计;
6、可用于过程工业和流程工业中。
基本原理
1、扭矩的测量:采用应变片电测技术,在弹性轴上组成应变桥,向网尖桥提供电源即可测侍该弹性轴叉拉的电 石亏。付以应交石勺放大后,经过压/频转换,变成与扭应变成正比的频率信号。
如图所示

2、转速的测量:转速测量采用磁电码盘的方法进行测量,每一磁电码盘均有60个齿,轴带动磁电码盘每旋转一周可产生60个脉冲,高速或中速采样时可以用测频的方法,低速采样时可以用测周期的方法测出准确的转速。本传感器精度可达±0.1%~±0.5%(F•S)。由于传感器输出为频率信号,所以无需AD转换即可直接送至计算机进行数据处理。
本传感器的测速方法采用内置测速,订货时用户需注明是否监测转速信号!
产品特点
1、信号输出波形方波幅度可选 5V/12V;
2、开机5分钟即可进入工作状态,勿需预热过程;
3、检测精度高,稳定性好,抗干扰性强;
4、不需反复调零即可连续测量正反扭矩;
5、体积小,重量轻,易于安装;
6、传感器可脱离二次仪表独立使用,只要按插座针号提供±15V(200mA)的电源,即可输出阻抗与扭矩成正比的等方波或脉冲波频率信号。
主要性能及电气指标
扭矩精度:<±0.5 % F.S、<±0.3 %F.S、<±0.1%FꔷS(可选) 储存温度:-20~70℃
频率响应:100us 工作电压:±15V、24V
非线性:<±0.2% FꔷS 总消耗电流:<200mA
重复性:<±0.1% FꔷS 输出信号:10±5KHz、4-20mA、1-5V、0-5V、0-10V
回差:<0.1%FꔷS 信号占空比:(50±10)%
零点时漂:<0.2% FꔷS 零点温漂:<0.2% FꔷS /10℃
输出阻抗:350Ω±1Ω、700Ω±3Ω、1000Ω±5Ω(可选) 绝缘阻抗:>500MΩ
过载能力:120%、150%、200%(可选) 使用温度:-10~50℃
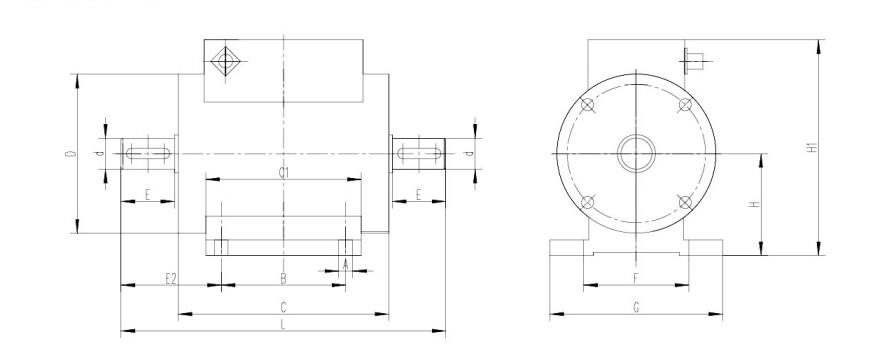
外型尺寸如下图

产品系列尺寸参考如下图


1、安装方式

2、链接方式
扭矩传感器与动力设备、负载设备之间的连接
(1)弹性柱销联轴器连接:如图所示,此种连接方式结构简单,加工容易,维护方便。能够微量补偿安装误差造成的轴的相对偏移,同时能起到轻微减振的作用。适用于中等载荷、起动频繁的高低速运转场合,工作温度为-10-50°C。

(2)刚性联轴器连接:如图所示,这种连接形式结构简单,成本低,无补偿性能,不能缓冲减振,对两轴的安装精度较高。用于振动很小的工况条件。

3、安装要求
(1)扭矩传感器可水平安装,也可垂直安装;
(2)如图11、12所示,动力设备、传感器、负载设备应安装在稳固的基础上,以避免过大的震动,否则可能发生数据不稳,降低测量精度,甚至损坏传感器;
(3)采用弹性柱销联轴器或刚性联轴器连接;
(4)动力设备、传感器、负载设备轴线的同心度应小于Φ0.05mm。
4、安装接口形状与尺寸参考
如图所示:图中所标注的A、B、F、G的值见图7对应的规格表

5、安装步骤
(1)根据轴的连接形式和扭矩传感器的长度,确定原动机和负载之间的距离,调节原动机和负载的轴线相对于基准面的距离,使它们的轴线的同轴度小于Φ0.03mm,固定原动机和负载在基准面上;
(2)将联轴器分别装入各自轴上;
(3)调节扭矩传感器与基准面的距离,使它的轴线与原动机和负载的轴线的同轴度小于Φ0.03mm,固定扭矩传感器在基准面上;
(4)紧固联轴器,安装完成。


通过中商114


冀公网安备13010402002588