一、工作原理
AO910系列扩散硅压力传感器系全部采用进口芯片,经过精心的结构设计,信号处理和组装,并按照国家标准和企业标准,进行测试而生产出来的新一代测量元件。基本原理是利用半导体的压阻效应和微机械加工技术,在单晶硅片的特定晶向上,用光刻、扩散等半导体工艺制做一惠斯登电桥,形成敏感膜片,当受到外力作用时产生微应变,电阻率发生变化,使桥臂电阻发生变化(一对变大一对变小)在激励电压信号输出,经过计算机温度补偿、激光调阻、信号放大等处理手段和严格的装配检测、标定等工艺,生产出具有标准输出信号的压力变送器。

二、特点
1、输出稳定灵敏度高
一般应变式传感器输出仅为10mv左右,而扩散硅传感器满量程输出为100mv左右,干扰及噪声等因素影响相对较小,放大电路成本也相应降低,分辨率大大提高。零压力附近无死区。
2、精度高,重复性好
扩散硅压阻式压力传感器实现了压力受感,压力传递力一电转换由同一元件上实现,无中间转换环节,无压力滞后,无机械位移变形,保证了极 小的重复性和迟滞误差,和良好的线性度,无蠕变、稳定、可靠、寿命长。
3、良好的温度特性
由于采用了激光调阻,计算机补偿等先进技术和巧妙控制扩散浓度,实现满量程温度漂移(灵敏度温度系数)自补偿。克服了半导体晶片本身温度系数大的缺陷,使变送器的零位和满度温漂达到了较高的水准,拓宽了使用温区。
4、适合于危险易爆的领域和场所应用
扩散硅压力传感器,变送器具有低电流,低电压,低功耗的特点,属于本质安全防爆型产品,并已取得了国家安全防爆机构颁发的防爆证书。
5、高可靠性与抗干扰性能
产品由于采用了不锈钢材质与特殊防护结构,和放大电路的防雷击、抗干扰、抗过压、过流等一系列保护手段,提高了可靠的密封防腐和抗恶劣工作环境的能力,完全适合一般工业现场测量和控制的需要。

三、技术参数
1、技术指标
使用对象 液体、气体或蒸汽
测量范围 表压:0~5KPa~3.5MPa , 密封表压:0~7MPa~100MPa
绝压: 0~20KPa~35MPa , 负压:-0.1MPa~2MPa
输 出 4~20mADC
电 源 12~36VDC
负载特性 4~20mADC二线制
温度范围 -40℃~+ 85℃
外壳防护 优于IP65
防爆类型 隔爆型dⅡCT6; 本安型iaⅡCT6应外配安全栅
2、性能指标
综合精度 精度等级:0.1%、0.2%
稳定性 优于±0.25%FS/3年
温度影响 -10℃~+ 60℃范围内:变化量小于±0.1%/ 10℃(0.1级)
变化量小于±0.15%/ 10℃(0.2级)
-30℃~ -10℃, 60℃~+ 85℃:变化量小于±0.15%/ 10℃(0.1级)
变化量小于±0.20%/ 10℃(0.2级)
振动影响 在任何方向上振动频率为20-200Hz时,变化量小于±0.02% BFSL
冲击影响 任何方向100G冲击11ms后,变化量小于±0.02% BFSL
负载影响 只要输入变送器的端子电压高于12V,就无负载影响。
位置影响 安装位置不影响零点
3、结构指标
结构材料 外壳:不锈钢或低铜铸铝
接触介质材料与选择的传感器类型及采用的密封方式有关
全焊接结构:316L SS
“O”型圈密封结构:丁腈橡胶、聚四氟乙烯或氟橡胶
过程连接 标准提供M20×1.5外螺纹
电气连接 可根据需要从任何一个出口引出,建议使用φ10工业电缆作为引线,以便密封.引出接头可选用通用电缆接头PG16或M20×1.5,不引线一端用端盖封住。

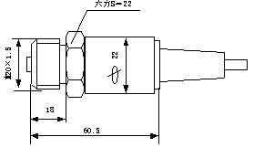
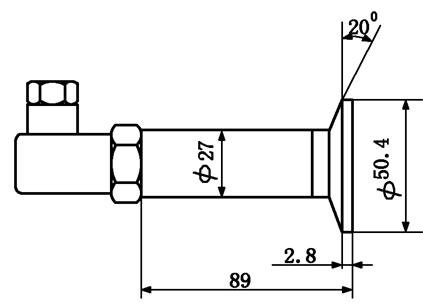
四、结构尺寸
AO910工业型扩散硅压力变送器

AO910X精巧型扩散硅压力变送器

赫斯曼接头L≤150

其它引线方式L≤120

AO910Y小型化扩散硅压力变送器

AO910Z卫生型扩散硅压力变送器(平面膜结构)





通过中商114 


冀公网安备13010402002588